首页
协会概况
协会概况
通知公告
法律法规
协会动态
行业资讯
评优评先
资料下载
质量月专题
安全月专题
扬尘治理
风险分级
保证保险
垃圾分类
职称申报
成人高考
置顶专题
党建风采
宜居首府·筑梦南宁
防控战役
咨询问答
时慧AI
注销
登录
单位注册
帮助
设为首页
|
加入收藏
|
退出
登录
|
单位注册
|
帮助
首页
协会概况
通知公告
协会动态
行业资讯
评优评先
会员之家
资料下载
职称申报
成人高考
咨询问答
时慧AI
便捷入口
首页
协会概况
通知公告
协会动态
行业资讯
评优评先
会议报名
咨询问答
法律法规
会员中心
当前位置:
首页
|
行业资讯
登录框
×
登录
账号:
密码:
注册框
×
个人注册
姓名:
电话:
默认将使用
注册手机号的后六位
作为密码。
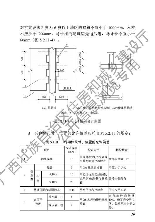
DBJ/T45-139-2022《砌体结构工程施工工艺规程》
发布时间:2023年03月24日 15:45
来源:
广西建设网
最新评论
共 0 条评论
发表评论
发表回复
取消回复